Overview
Product Details
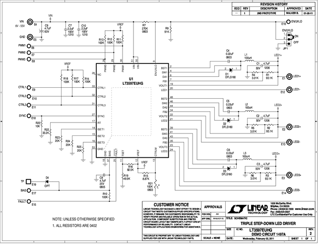
Demonstration circuit 1497A is a 60V triple step-down LED driver featuring the LT3597. The demo board is optimized for driving nine white LEDs at 100mA output per regulator from a 48V input. The LT3597 features a 5V to 55V input voltage range; depending on the number of LEDs used, the minimum input voltage will change. When a different number or different color of LED is used for evaluation, attention should be given to the maximum output voltage setting and open LED detection fault reporting.
The connections between the board and LEDs strings should be as short as feasible. The circuit achieves 10,000:1 PWM dimming at 100Hz PWM frequency. LED dimming can also be by analog control of the CTRL1-3 pin.
Applicable Parts
Documentation & Resources
-
DC1497A - Schematic5/4/2012PDF52K
-
DC1497A - Demo Manual5/10/2011PDF210K
-
DC1497A - Design Files5/16/2011ZIP896K
