Overview
Product Details
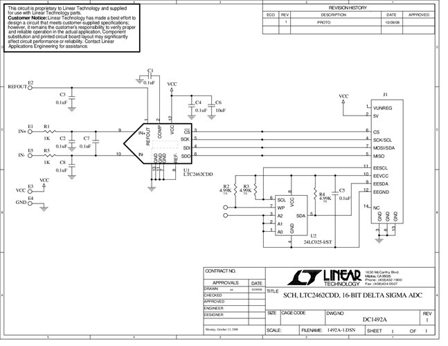
DC1492A: Demo Board for the LTC2462 Ultra-Tiny, 16-Bit ΔΣ ADCs with 10ppm/°C Max Precision Reference.
Applicable Parts
Documentation & Resources
-
DC1492A - Schematic9/24/2009PDF26K
-
DC1492A - Demo Manual9/24/2009PDF117K
-
DC1492A - Design File9/24/2009ZIP2M
