Overview
Product Details
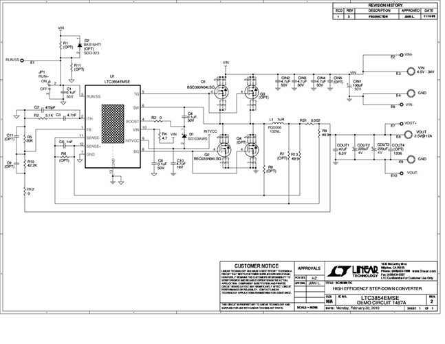
Demonstration circuit 1487A is a small foot print, wide input voltage range, high efficiency synchronous buck converter with 4.5V to 34V input range. It can supply 12A maximum load current at 2.5V output. The demo board features the LTC3854EMSE controller. The controller features a 400kHz constant frequency current mode architecture and allows RSENSE or DCR inductor current sensing. The demo board is configured using RSENSE.
Applicable Parts
Documentation & Resources
-
DC1487A - Schematic4/1/2010PDF51K
-
DC1487A - Demo Manual4/1/2010PDF524K
-
DC1487A - Design Files4/1/2010ZIP724K
