Overview
Product Details
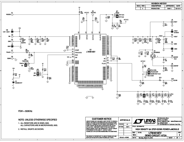
Demonstration circuit 1472 features the LTM4618EV μModule® regulator, a complete high efficiency synchronous buck regulator with tracking. The DC1472 input range is from 4.5V to 26.5V and is capable of delivering up to 6A of output current; however, current derating may be necessary under certain VIN, VOUT, frequency and thermal conditions. The output voltage is jumper programmable from 1.2V to 5V and can be set as low as 0.8V, the reference voltage of the LTM4618EV.
Applicable Parts
Documentation & Resources
-
DC1472A - Schematic6/25/2010PDF59K
-
DC1472A - Demo Manual10/25/2010PDF1M
-
DC1472A - Design Files6/25/2010ZIP923K
