Overview
Product Details
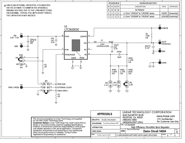
Demonstration circuit 1460A is a high efficiency step-down converter featuring the LTC3620EDC. Its input voltage ranges from 2.9V to 5.5V, and it provides up to 15mA of load current at a jumper-selectable output voltages of 1.1V, 1.2V or 1.8V.
Applicable Parts
Documentation & Resources
-
DC1460A - Schematic10/21/2009PDF80K
-
DC1460A - Demo Manual10/21/2009PDF1M
-
DC1460A - Design Files10/21/2009ZIP3M
