Overview
Product Details
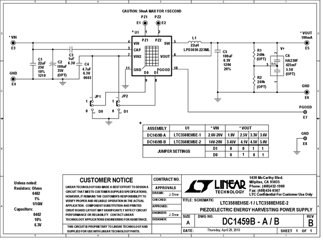
DC1459B-A: Demo Board for the LTC3588-1 Piezoelectric Energy Harvesting Power Supply.
Applicable Parts
Documentation & Resources
-
DC1459B - Schematic7/16/2010PDF70K
-
DC1459B - Demo Manual7/16/2010PDF402K
-
DC1459B - Design Files7/16/2010ZIP729K




