Overview
Product Details
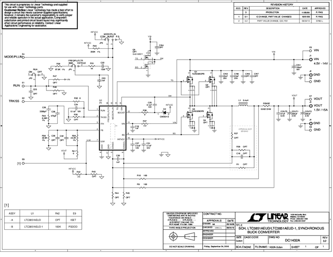
Demonstration circuit 1432A is a synchronous buck controller featuring the LTC3851AEUD/LTC3851AEUD-1. It operates with an input voltage from 4.5V to 14V and provides 1.5V at up to 15A at the output. The demo circuit is available in two versions. DC1432A-A is configured with LTC3851AEUD which provides ISET function, while the DC1432A-B is configured with LTC3851AEUD-1 which provides PGOOD function.
Applicable Parts
Documentation & Resources
-
DC1432A - Schematic12/21/2010PDF52K
-
DC1432A - Demo Manual12/21/2010PDF234K
-
DC1432A - Design Files12/21/2010ZIP3M
