Overview
Product Details
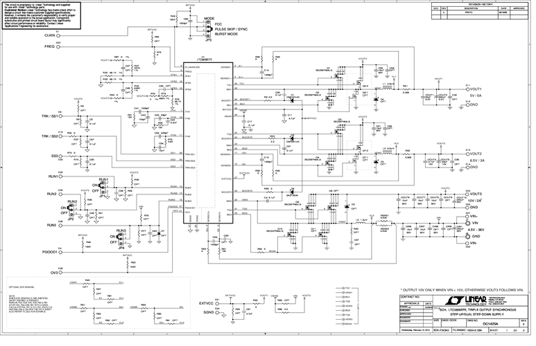
Demonstration circuit DC1425A is a triple output synchronous step-up/dual step-down power supply featuring the LTC3859AIFE. The demo board is has the LTC3859AIFE buck inputs supplied from the boost output. With this boost-then-buck topology, the buck outputs maintain regulation over the entire 4.5V to 36V input range and the application is suitable for automotive or other battery fed applications where low quiescent current is important. The buck controllers provide 5V @ 5A and 8.5V @ 3A and the boost can supply 10V @ 2A when the bucks are drawing their maximim load current.
Applicable Parts
Documentation & Resources
-
DC1425A - Schematic5/5/2010PDF135K
-
DC1425A - Demo Manual5/3/2012PDF408K
-
DC1425A - Design Files5/5/2010ZIP4M
