Overview
Product Details
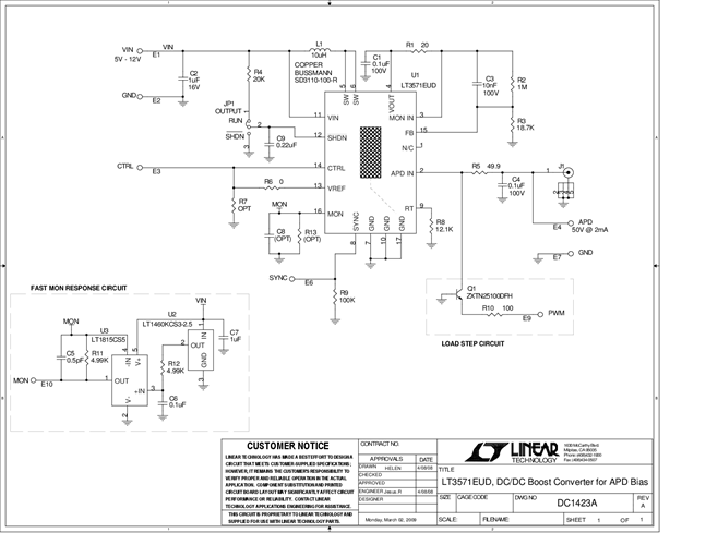
DC1423A: Demo Board for the LT3571 75V DC/DC Converter for APD Bias.
Applicable Parts
Documentation & Resources
- 
                                                                
                                                                    
                                                                                                                                            DC1423A - Schematic9/24/2009PDF32K
- 
                                                                
                                                                    
                                                                                                                                            DC1423A - Demo Manual9/24/2009PDF253K
- 
                                                                
                                                                    
                                                                                                                                            DC1423A - Design File9/24/2009ZIP624K
 
                             
                         
                         
                                                 
                                                 
                                                 
                                                 
                                                



