Overview
Product Details
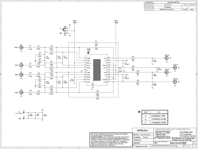
DC1422A-B: Demo Board for the LTC6605-10 Dual Matched 10MHz Filter with Low Noise, Low Distortion Differential Amplifier.
Applicable Parts
Documentation & Resources
-
DC1422A - Schematic9/24/2009PDF80K
-
DC1422A - Demo Manual9/24/2009PDF190K
-
DC1422A - Design File9/24/2009ZIP2M
