Overview
Product Details
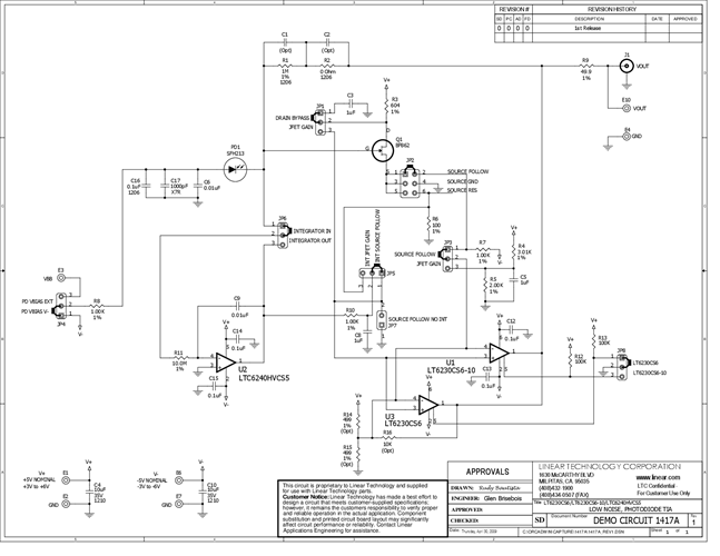
DC1417A: Demo Board for the LT6230 215MHz, Rail-to-Rail Output, 1.1nV√Hz, 3.5mA Op Amp Family.
Applicable Parts
Documentation & Resources
-
DC1417A - Schematic12/29/2009PDF80K
-
DC1417A - Demo Manual12/29/2009PDF254K
-
DC1417A - Design Files12/29/2009ZIP1M
