Overview
Product Details
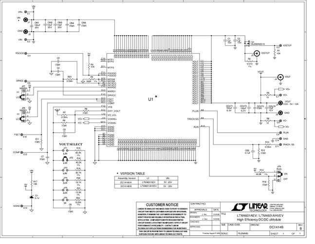
DC1414B-B: Demo Board for the LTM4601AHV 12A, 28VIN DC/DC µModule Regulator with PLL, Output Tracking and Margining.
Applicable Parts
Documentation & Resources
- 
                                                                
                                                                    
                                                                                                                                            DC1414B - Schematic2/15/2011PDF58K
- 
                                                                
                                                                    
                                                                                                                                            DC1414B - Demo Manual3/29/2011PDF1M
- 
                                                                
                                                                    
                                                                                                                                            DC1414B - Design Files2/15/2011ZIP879K
 
                             
                         
                         
                                                