Overview
Product Details
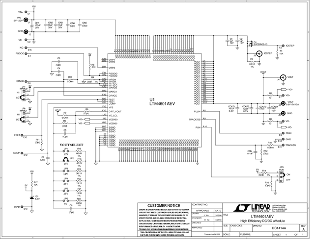
Demonstration circuit 1414 features the LTM4601AEV, a high efficiency, high density switch mode step-down power module. The DC1414A accepts an input voltage from 5V to 20V to deliver a jumper selectable output voltage from 0.6V to 5V at up to 12A. Derating is necessary for certain VIN, VOUT, and thermal conditions.
The LTM4601A allows the user to program output ramp-up and ramp-down through the TRACK/SS pin. The output can be set to coincidentally or ratiometrically track with another voltage rail. This board also supports demonstration of the output voltage margining function.
Applicable Parts
Documentation & Resources
-
DC1414A - Schematic9/24/2009PDF58K
-
DC1414A - Demo Manual2/25/2011PDF1M
-
DC1414A - Design File9/24/2009ZIP629K
