Overview
Product Details
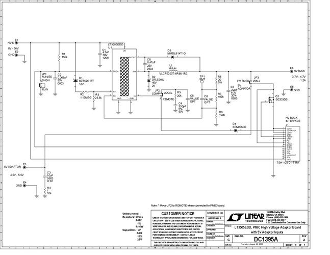
DC1395A: Demo Board for LT3505 1.2A, Step-Down Switching Regulator in 3mm × 3mm DFN
Applicable Parts
Documentation & Resources
-
DC1395A - Schematic9/24/2009PDF104K
-
DC1395A - Demo Manual9/24/2009PDF361K
-
DC1395A - Design File9/24/2009ZIP626K
