Overview
Product Details
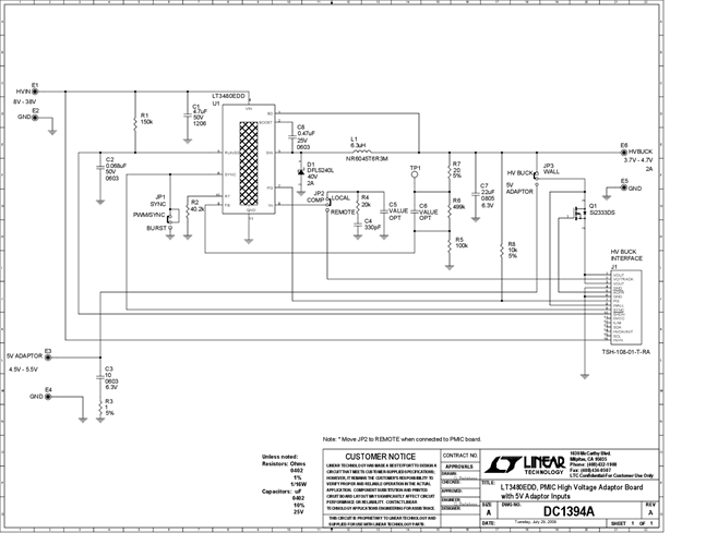
Demonstration Circuit 1394A shows how the LT3480 high voltage step-down regulator can be used with the LTC4098 USB-compatible Li-Ion battery charger to design a 2 input source battery charger circuit that also provides power to the load from the LT3480, a 5V wall adapter or the batteries based on available power. The LTC4098 interfaces with a number of ADI switching regulators to provide a high efficiency, high voltage power path. The LT3480 operates from 8V to 38V (60V transients) and provides 2A with a voltage range that is mode and load dependent.
Applicable Parts
Documentation & Resources
-
DC1394A - Schematic9/24/2009PDF97K
-
DC1394A - Demo Manual9/24/2009PDF273K
-
DC1394A - Design File9/24/2009ZIP707K
