Overview
Product Details
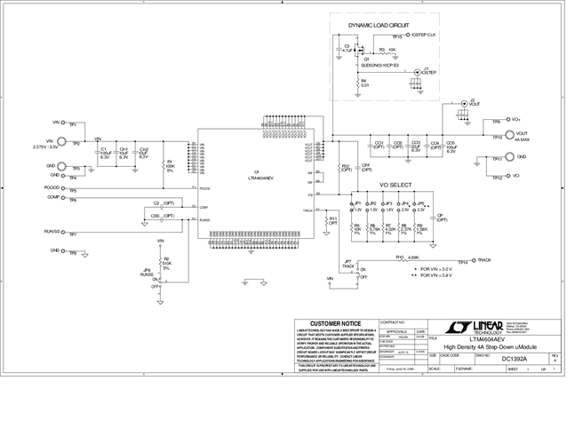
Demonstration circuit 1392A features the LTM4604AEV, the high efficiency, high density switch mode step-down μModule® regulator. The input voltage range is from 2.375V to 5.5V with a jumper selectable output voltage from 0.8V to 3.3V. The rated load current is 4A, while derating is necessary for certain VIN, VOUT and thermal conditions. By using the TRACK pin, the output can be set to coincidentally or ratiometrically track to another voltage rail.
Applicable Parts
Documentation & Resources
-
DC1392A - Schematic9/24/2009PDF37K
-
DC1392A - Demo Manual6/1/2011PDF1M
-
DC1392A - Design File9/24/2009ZIP824K
