Overview
Product Details
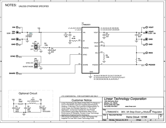
Demonstration circuit 1379B is a step-down DC/DC switching regulator featuring the LTM8025 μModule® regulator. The demo board is designed to deliver a 3.3V @ 3A output from a 5.5V to 36V input. The wide input range of the LTM8025 allows a variety of input sources such as automotive batteries, wall adaptors and industrial supplies. The modes of operation (Burst Mode® operation or synchronization) are jumper-selectable. Burst Mode operation improves efficiency at light loads. The LTM8025 can be synchronized over a 250kHz to 2MHz range.
Applicable Parts
Documentation & Resources
-
DC1379B - Schematic5/22/2012PDF25K
-
DC1379B - Demo Manual5/22/2012PDF231K
-
DC1379B - Design Files5/22/2012ZIP622K




