Overview
Product Details
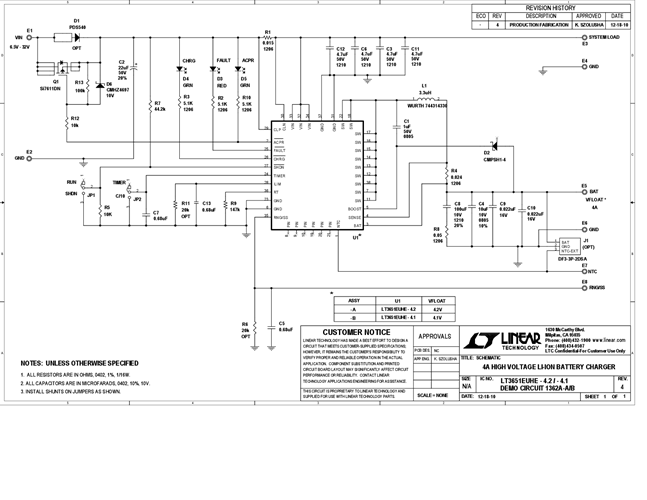
Demonstration circuit 1362A-B (fixed 4.1V output) is a 4A high voltage Li-Ion battery charger featuring the LT3651EUHE-4.1. The LT3651 is a complete, high power Li-Ion battery charger that can operate over a wide input voltage range. The charger is a constant-current, constant-voltage type with a maximum charge current of 4A that can be externally set. A precondition feature trickle charges a low voltage battery and bad battery detection provides a signal if the battery doesn’t respond to preconditioning. The LT3651EUHE is available in a 36-lead (5mm × 6mm) QFN surface mount package with two exposed thermal pads.
Applicable Parts
Documentation & Resources
-
DC1362A - Schematic3/13/2013PDF73K
-
DC1362A - Demo Manual2/15/2013PDF603K
-
DC1362A - Design Files3/13/2013ZIP815K
