Overview
Product Details
This evaluation board is obsolete and no longer recommended.Applicable Parts
Documentation & Resources
-
Hot Swap Controllers8/2/2023PDF0 M
-
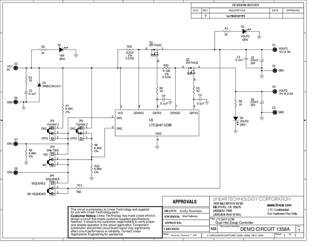
DC1358A - Schematic9/24/2009PDF79K
-
DC1358A - Demo Manual9/24/2009PDF436K
-
DC1358A - Design File9/24/2009ZIP1M
