Overview
Product Details
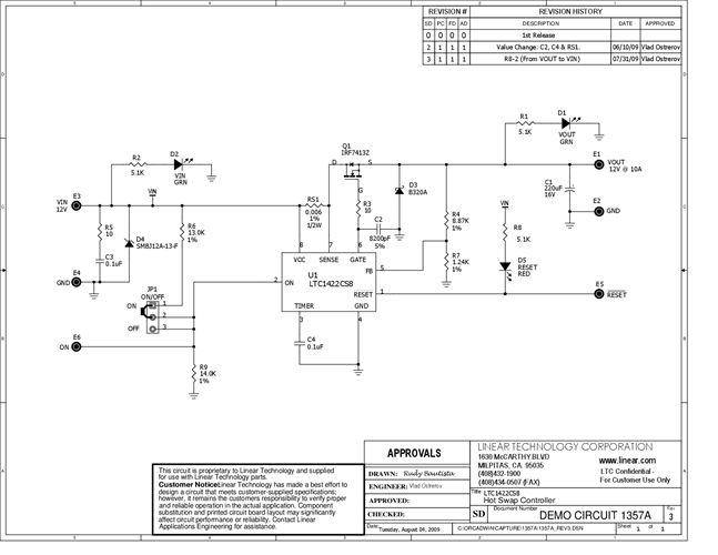
DC1357A: Demo Board for the LTC1422 Hot Swap Controller
Applicable Parts
Documentation & Resources
-
DC1357A - Schematic10/22/2009PDF75K
-
DC1357A - Demo Manual10/22/2009PDF417K
-
DC1357A - Design Files10/22/2009ZIP1M
