Overview
Product Details
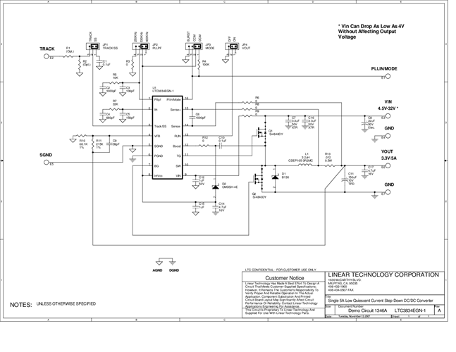
Demonstration circuit 1346A is a low quiescent current synchronous step-down DC/DC controller featuring the LTC3834-1 in a 16-pin narrow SSOP package. The DC1346A is generates a regulated 3.3V@5A output from a 4.5V to 32V input voltage.
Applicable Parts
Documentation & Resources
-
DC1346A - Schematic9/24/2009PDF27K
-
DC1346A - Demo Manual9/24/2009PDF517K
-
DC1346A - Design File9/24/2009ZIP0M
