Overview
Product Details
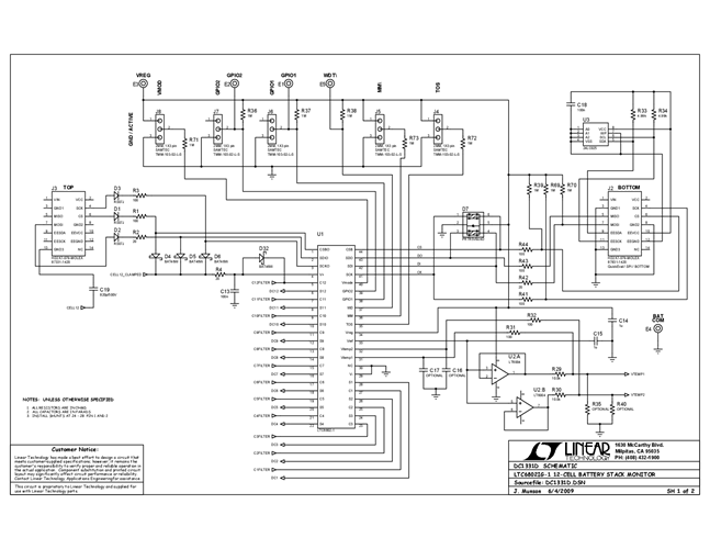
DC1331D: Demo Board for LTC6802-1 - Multicell Battery Stack Monitor
Applicable Parts
Documentation & Resources
-
DC1331D - Schematic1/25/2010PDF110K
-
DC1331D - Design Manual1/25/2010PDF1M
-
DC1331D - Design Files1/25/2010ZIP702K
