Overview
Product Details
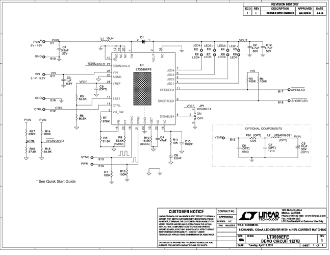
Demonstration circuit 1327B is a 4-Channel 80mA LED Driver with +/-1.5% Current Matching featuring the LT3599. The LT3599 is a step-up DC/DC converter designed to drive up to 4-strings of LEDs at up to 120mA per string, and with an output voltage up to 44V. The LED strings are connected to internal current sources where the current level is set with an external resistor. Each string can have up to 10 white LEDs. Paralleling of strings is allowed.The LT3599 runs from a 3.1V to 5.5V power supply, and the step-up converter is powered from an 8V to 16 voltage supply, though higher voltages up to 40V may be acceptable depending on the circuit requirements.
Applicable Parts
Documentation & Resources
-
DC1327B - Schematic7/21/2010PDF46K
-
DC1327B - Demo Manual7/21/2010PDF315K
-
DC1327B - Design Files7/21/2010ZIP1M



