Overview
Product Details
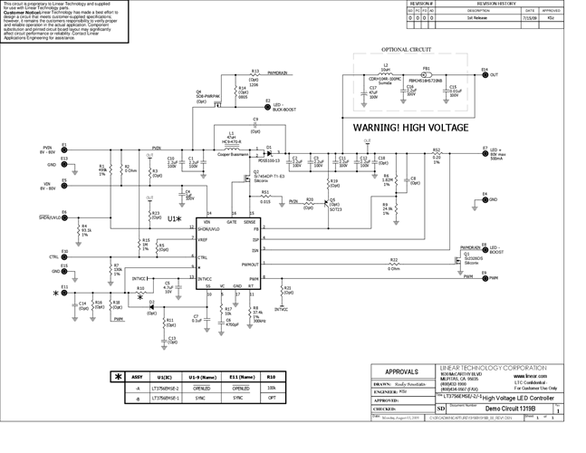
Demonstration circuit 1319B-A/1319B-B is a high voltage and high current LED driver controller. The VIN pin input voltage is as high as 100V, and the LED output voltage is also as high as 100V. The demonstration circuit is assembled as a boost topology from 8V to 80V input and up to 80V LED output at 0.5A with an open-LED status pin (DC1319B-A) or a sync input pin (DC1319B-B). DC1319B features PWM dimming, analog dimming, shutdown, and open-LED overvoltage protection.
Applicable Parts
Documentation & Resources
-
DC1319B - Schematic11/13/2009PDF108K
-
DC1319B - Demo Manual11/13/2009PDF244K
-
DC1319B - Design Files11/13/2009ZIP5M





