Overview
Product Details
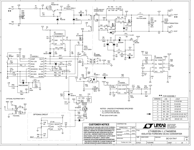
DC1317A-F: Demo Board for LT1952 Single Switch Synchronous Forward Controller.
Applicable Parts
Documentation & Resources
-
DC1317A-F - Schematic8/2/2010PDF50K
-
DC1317A-F Demo Manual10/21/2009PDF944K
-
DC1317A-F - Design Files10/21/2009ZIP1M
