Overview
Product Details
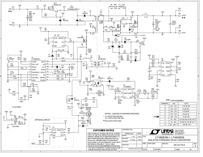
DC1317A-E: Demo Board for LT1952 Single Switch Synchronous Forward Controller.
Applicable Parts
Documentation & Resources
-
DC1317A-E - Schematic8/2/2010PDF54K
-
DC1317A-E - Demo Manual10/18/2013PDF1M
-
DC1317A-E - Design File1/9/2013ZIP1M
