Overview
Product Details
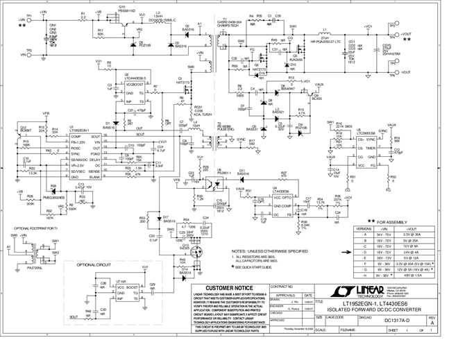
DC1317A-D: Demo Board for LT1952 Single Switch Synchronous Forward Controller.
Applicable Parts
Documentation & Resources
-
DC1317A-D - Schematic8/2/2010PDF50K
-
DC1317A-D - Demo Manual12/7/2009PDF1M
-
DC1317A-D - Design Files12/7/2009ZIP2M
