Overview
Product Details
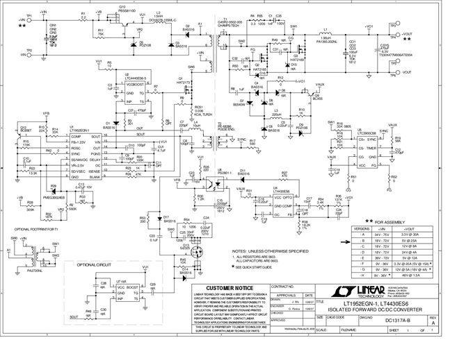
DC1317A-B: Demo Board for LT1952 Single Switch Synchronous Forward Controller.
Applicable Parts
Documentation & Resources
-
DC1317A-B - Schematic8/2/2010PDF54K
-
DC1317A-B - Demo Manual10/7/2009PDF748K
-
DC1317A-B - Design File10/7/2009ZIP1M
