Overview
Product Details
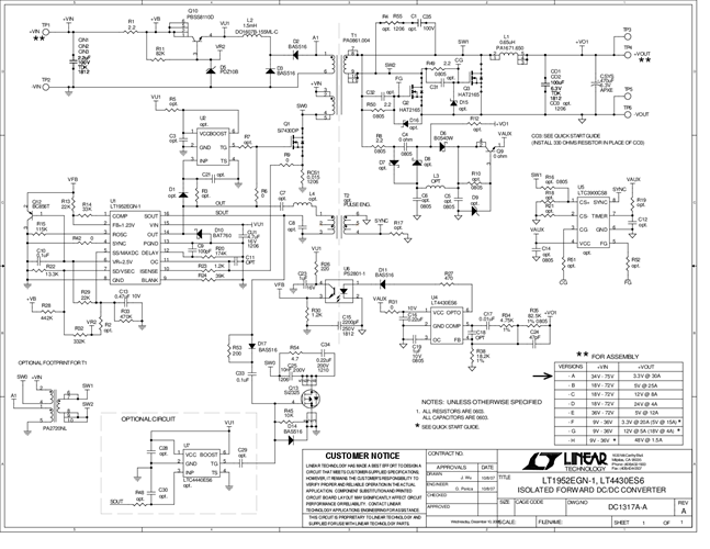
DC1317A-A: Demo Board for LT1952 Single Switch Synchronous Forward Controller.
Applicable Parts
Documentation & Resources
-
DC1317A-A - Schematic8/2/2010PDF54K
-
DC1317A-A - Demo Manual10/7/2009PDF1M
-
DC1317A-A - Design File12/7/2009ZIP1M
