Overview
Product Details
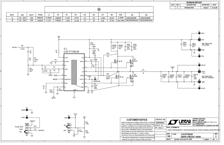
Demonstration circuit 1290A is a high frequency synchronous step-down converter featuring the LTC3775EUD. The package style for the LTC3775EUD is a 16-pin 3mm x 3mm QFN. Two versions of the demonstration board are available. DC-1290A-A has been optimized for 5V to 26V input and typically provides 1.2V/15A, while the DC1290A-B is optimized for 5V to 36VIN range and typically provides 1.2V/10A.
Applicable Parts
Documentation & Resources
-
DC1290A - Schematic1/15/2010PDF69K
-
DC1290A - Demo Manual1/15/2010PDF890K
-
DC1290A - Design Files1/15/2010ZIP2M
