Overview
Product Details
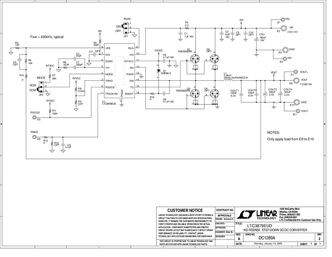
Demonstration circuit 1289 is a no RSENSE synchronous step-down DC/DC converter featuring the LTC3879EUD. Its output supplies 1.2V @ 15A and its input voltage range is from 4.5V to 14V.
The LTC3879 allows operation from 4V to 38V at the input and has an output voltage range of 0.6V to 0.9VIN.
Applicable Parts
Documentation & Resources
- 
                                                                
                                                                    
                                                                                                                                            DC1289A - Schematic9/24/2009PDF40K
- 
                                                                
                                                                    
                                                                                                                                            DC1289A - Demo Manual9/24/2009PDF428K
- 
                                                                
                                                                    
                                                                                                                                            DC1289A - Design File9/24/2009ZIP743K
 
                             
                         
                         
                                                