Overview
Product Details
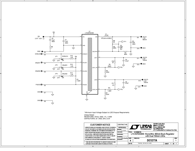
Demo Circuit 1277A is a demo board that features the LTC3670, a triple power supply composed of a 400mA synchronous buck regulator and two 150mA low dropout linear regulators (LDOs). The input supply range is 2.5V to 5.5V and it provides 1.2V @ 400mA, 2.8V @ 150mA and 3.3V @ 150mA. The output regulation of the LDOs is subject to the dropout requirements based on the supply voltage.
Applicable Parts
Documentation & Resources
-
DC1277A - Schematic9/24/2009PDF39K
-
DC1277A - Demo Manual9/24/2009PDF381K
-
DC1277A - Design File9/24/2009ZIP646K
