Overview
Product Details
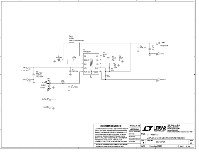
DC1273A: Demo Board for LT1938 - 25V, 2.2A, 2.8MHz Step-Down Switching Regulator
Applicable Parts
Documentation & Resources
-
DC1273A - Schematic9/24/2009PDF30K
-
DC1273A - Demo Manual9/24/2009PDF283K
-
DC1273A - Design File9/24/2009ZIP567K
