Overview
Product Details
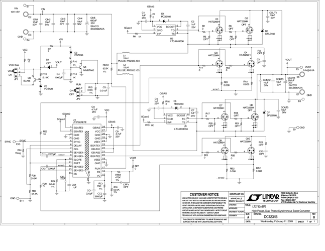
DC1234B: Demo Board for the LT3782 2-Phase Step-Up DC/DC Controller.
Applicable Parts
Documentation & Resources
-
DC1234B - Schematic9/24/2009PDF55K
-
DC1234B - Demo Manual9/24/2009PDF526K
-
DC1234B - Design File9/24/2009ZIP1M
