Overview
Product Details
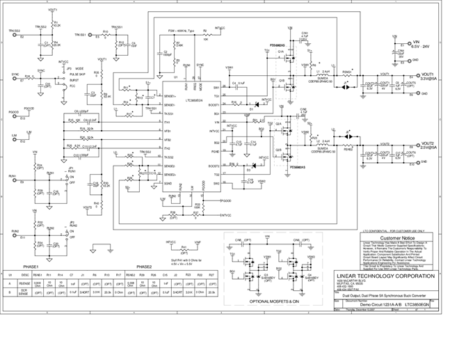
Demonstration circuit 1231A is a Dual Output, Dual Phase 5A Synchronous Buck Converter featuring the LTC3850EGN. The entire circuit, including the bulk output capacitors, fit within a 1.04 × 0.94 area on all layers. The package style for the LTC3850EGN is a 28-lead narrow plastic SSOP. The main features of the board include rail tracking, an internal 5V linear regulator for bias, RUN pins for each output and a PGOOD signal and a Mode selector that allow the converter to run in CCM, pulse skip or Burst Mode operation. Synchronization to an external clock is also possible through some minor component changes. Two versions of the board are available. DC-1231A-A has an on-board sense resistor for current feedback, while the DC1231A-B is configured with a DCR sense circuit that allows the converter to use the inductors DCR as the sense element instead of the on-board sense resistors to save cost and board space and improves efficiency.
Applicable Parts
Documentation & Resources
-
DC1231A - Schematic9/24/2009PDF37K
-
DC1231A - Demo Manual9/24/2009PDF192K
-
DC1231A - Design File9/24/2009ZIP973K
