Overview
Product Details
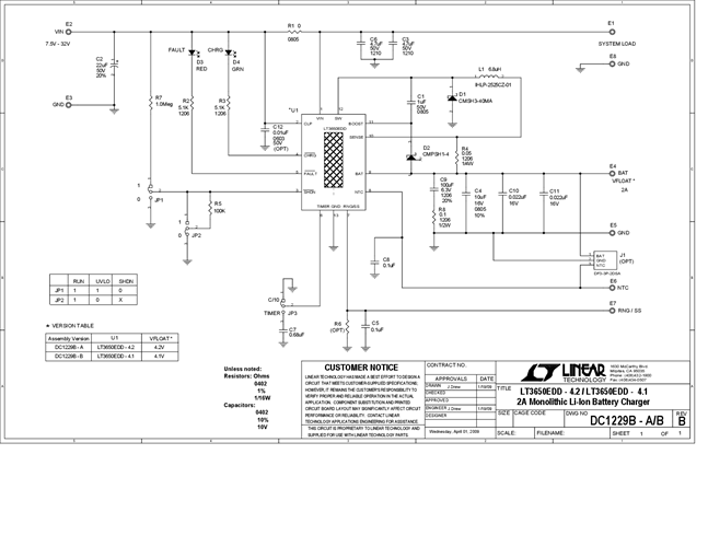
DC1229B is a 2A monolithic Li-Ion battery charger featuring the LT3650EDD-4.2/LT3650EDD-4.1. The LT3650 is a complete mid-power Li-Ion battery charger that can operate over a wide 4.75V to 32V input voltage range. The DC1229B has an input voltage range of 7.5V to 32V. The circuit provides CC/CV charging with a maximum charge current externally programmable up to 2A. A precondition feature trickle charges a low-voltage battery and bad battery detection provides a signal if the battery doesn’t respond to preconditioning.
Applicable Parts
Documentation & Resources
-
DC1229B - Schematic5/4/2012PDF81K
-
DC1229B - Demo Manual7/26/2011PDF236K
-
DC1229B - Design Files7/11/2011ZIP676K
