Overview
Product Details
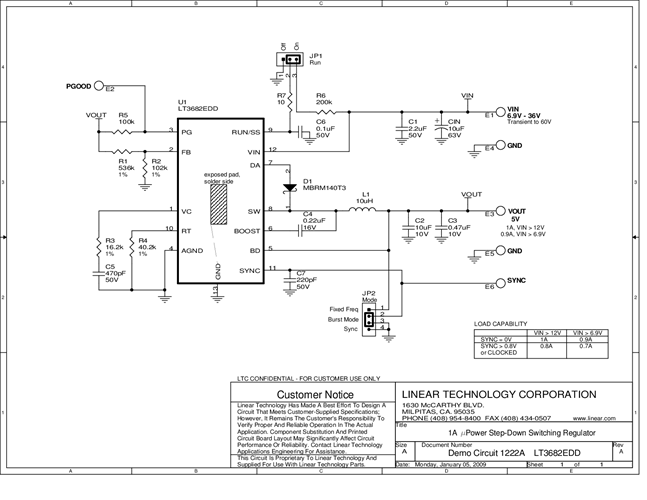
Demonstration circuit 1222 is a monolithic stepdown DC/DC switching regulator featuring the LT3682. The demo board is designed for 5V at 1A (VIN > 12V) from a 6.9V to 36V input, with transients up to 60V.
Applicable Parts
Documentation & Resources
-
DC1222A - Schematic9/24/2009PDF24K
-
DC1222A - Demo Manual9/24/2009PDF608K
-
DC1222A - Design File9/24/2009ZIP508K
