Overview
Product Details
DC1216A-B - Demo Board
Documentation & Resources
-
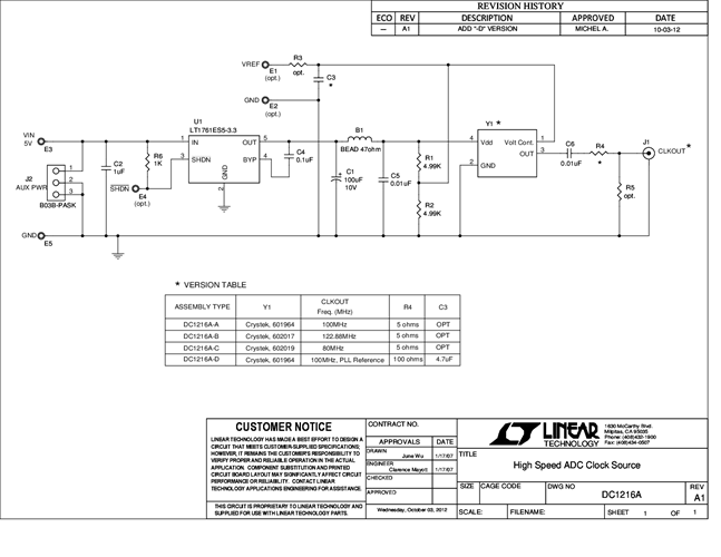
DC1216A - Schematic2/5/2013PDF41K
-
DC1216A - Demo Manual3/20/2013PDF218K
-
DC1216A - Design File2/5/2013ZIP541K




