Overview
Product Details
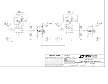
DC1203A: Demo Board for LTC4357 Positive High Voltage Ideal Diode Controller.
Applicable Parts
Documentation & Resources
-
DC1203A - Schematic9/24/2009PDF25K
-
DC1203A - Demo Manual9/24/2009PDF143K
-
DC1203A - Design File9/24/2009ZIP468K




