Overview
Product Details
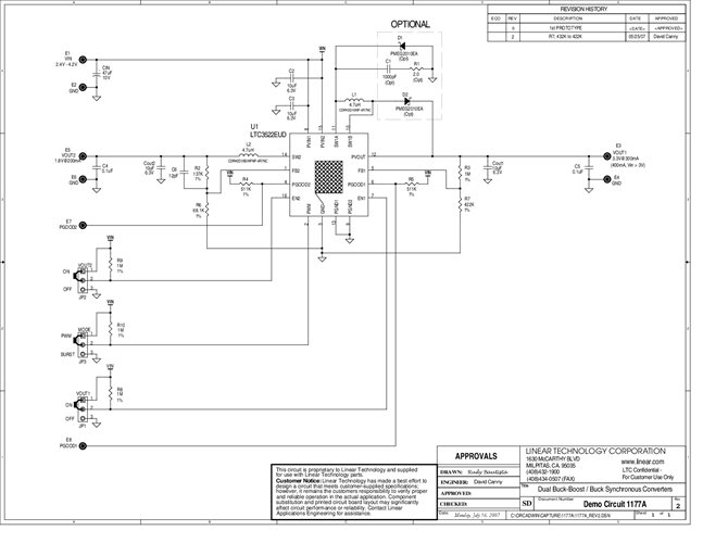
Demonstration circuit DC1177 is a micropower dual Buck-Boost/Buck synchronous converter based on the LTC3522 monolithic regulator. The DC1177 has an input voltage range of 2.4V to 4.2V and outputs 3.3V @ 300mA and 1.8V @ 200mA.
Applicable Parts
Documentation & Resources
- 
                                                                
                                                                    
                                                                                                                                            DC1177A - Schematic9/24/2009PDF66K
- 
                                                                
                                                                    
                                                                                                                                            DC1177A - Demo Manual9/24/2009PDF0M
- 
                                                                
                                                                    
                                                                                                                                            DC1177A - Design File9/24/2009ZIP0M
 
                             
                         
                         
                                                