Overview
Product Details
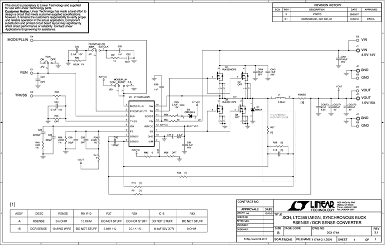
DC1171A-B: Demo Board for the LTC3851 Synchronous Step-Down Switching Regulator Controller
Applicable Parts
Documentation & Resources
-
DC1171A - Schematic3/10/2011PDF47K
-
DC1171A - Demo Manual3/10/2011PDF471K
-
DC1171A - Design Files3/7/2011ZIP1M
