Overview
Product Details
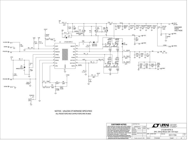
Demonstration circuit 1170 is a 60V current-mode synchronous step-up controller featuring the LTC3814-5. The circuit is configured as a synchronous step-up regulator operating at 330kHz switching frequency. Output voltage is 24V at 5A maximum load. The input voltage range is 5V to 14V.
Applicable Parts
Documentation & Resources
- 
                                                                
                                                                    
                                                                                                                                            DC1170A - Schematic10/6/2009PDF37K
 
- 
                                                                
                                                                    
                                                                                                                                            DC1170A - Demo Manual10/6/2009PDF230K
 
- 
                                                                
                                                                    
                                                                                                                                            DC1170A - Design Files10/6/2009ZIP748K
 
                                                