Overview
Product Details
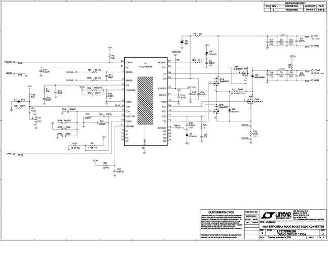
Demonstration circuit 1155A is a compact high efficiency synchronous buck-boost DC/DC converter solution featuring the LTC3780EUH controller. with 6V to 32V input range. It can supply 2A maximum load current at 12V output. The constant frequency current mode architecture allows a phase-lockable frequency of up to 400kHz.
Applicable Parts
Documentation & Resources
-
DC1155A - Schematic1/15/2010PDF53K
-
DC1155A - Demo Manual1/15/2010PDF502K
-
DC1155A - Design Files1/15/2010ZIP714K
