Overview
Product Details
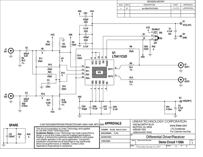
DC1108A - Demo Board for:
LT6411 - 650MHz Differential ADC Driver/Dual Selectable Gain Amplifier
Applicable Parts
Documentation & Resources
-
DC1108A - Schematic9/24/2009PDF68K
-
DC1108A - Demo Manual9/24/2009PDF403K
-
DC1108A - Design File9/24/2009ZIP1M




