Overview
Product Details
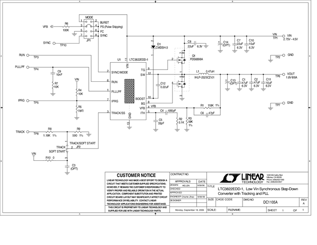
DC1105A: Demo Board for the LTC3822-1 No RSENSE, Low Input Voltage, Synchronous Step-Down DC/DC Controller
Markets and Technologies
Applicable Parts
Documentation & Resources
-
DC1105A - Schematic9/24/2009PDF32K
-
DC1105A - Demo Manual9/24/2009PDF229K
-
DC1105A - Design File9/24/2009ZIP621K
