Overview
Product Details
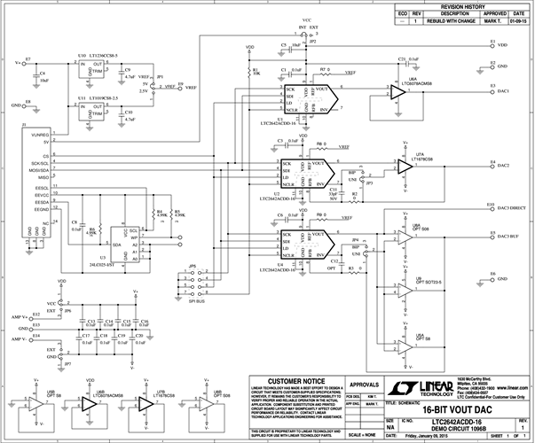
DC1096B: Demo Board for:
LTC2641-16-/14-/12-Bit VOUT DACs in 3mm × 3mm DFN
LTC2641-14 - 14-Bit VOUT DAC in 3mm × 3mm DFN
LTC2641-16 - 16-Bit VOUT DAC in 3mm × 3mm DFN
LTC2642-16 - 16-Bit VOUT DAC in 3mm × 3mm DFN
LTC2642-14 - 14-Bit VOUT DAC in 3mm × 3mm DFN
LTC2642-16-/14-/12-Bit VOUT DACs in 3mm × 3mm DFN
Documentation & Resources
-
DC1096B - Schematic11/16/2016PDF38K
-
DC1096B - Demo Manual11/16/2016PDF331K
-
DC1096B - Design Files11/16/2016ZIP932K




