Overview
Product Details
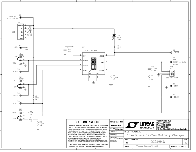
DC1094A: Demo Board for LTC4095 Standalone USB Li-Ion/Polymer Battery Charger in 2mm x 2mm DFN
Applicable Parts
Documentation & Resources
-
DC1094A - Schematic9/24/2009PDF99K
-
DC1094A - Demo Manual9/24/2009PDF344K
-
DC1094A - Design File9/24/2009ZIP714K
