Overview
Product Details
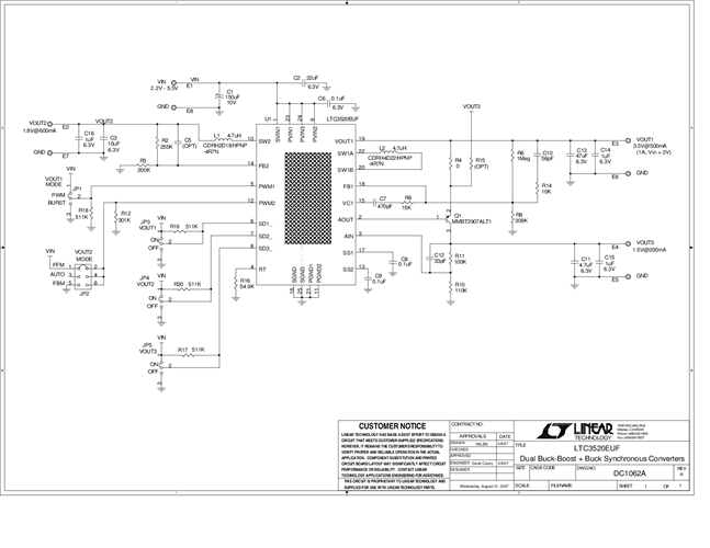
Demonstration circuit 1062 is a micropower synchronous buck-boost + buck converter based on the LTC3520. The DC1062 has an input voltage range of 2.2V to 5.5V and three output voltages: 3.3V @ up to 1A, 1.8V @ 600mA and 1.5V @ 200mA. The 1.5VOUT is an LDO regulator derived from either the 3.3VOUT or the 1.8VOUT.
Applicable Parts
Documentation & Resources
-
DC1062A - Schematic9/24/2009PDF29K
-
DC1062A - Demo Manual9/24/2009PDF419K
-
DC1062A - Design File9/24/2009ZIP728K
