Documentation & Resources
-
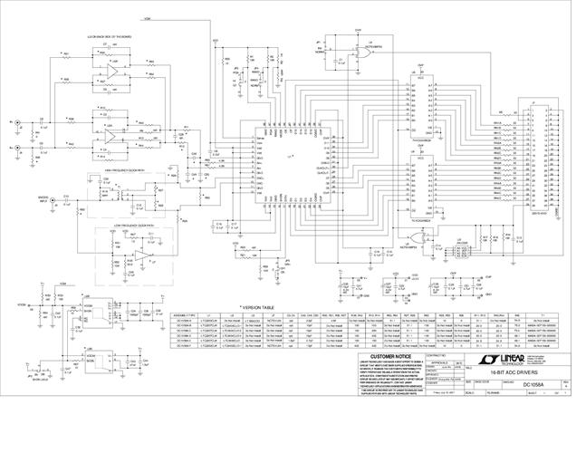
DC1058A - Schematic9/24/2009PDF50K
-
DC1058A - Demo Manual9/24/2009PDF339K
-
DC1058A - Design File9/24/2009ZIP1M
