Overview
Product Details
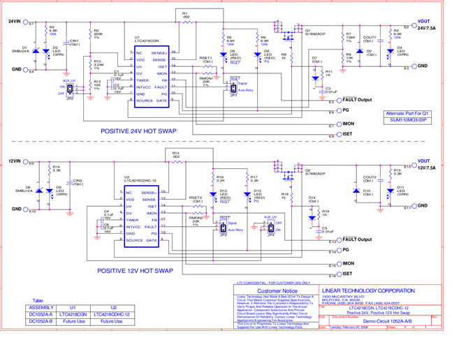
DC1052A-A: Demo Board for the LTC4218 Hot Swap Controller.
Applicable Parts
Documentation & Resources
-
Hot Swap Controllers8/2/2023PDF0 M
-
DC1052A - Schematic9/24/2009PDF33K
-
DC1052A - Demo Manual5/21/2013PDF226K
-
DC1052A - Design File9/24/2009ZIP624K
